韦德网站官方入口
网站首页
行业应用
产品中心
新闻中心
关于韦德网站官方入口
联系韦德网站官方入口
上海;;;Nさ峦竟俜饺肟诹魈蹇刂朴邢薰
网站首页
行业应用
产品中心
新闻中心
关于韦德网站官方入口
联系韦德网站官方入口
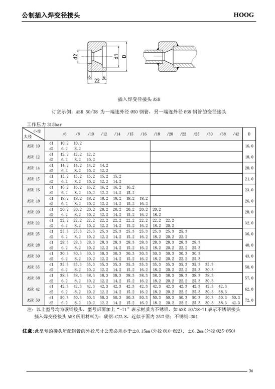
变径毗连2
扫一扫 在手机上阅读
管子与管子的毗连
变径毗连1
隔板毗连
联系韦德网站官方入口
021-51012795
上海市浦东新区鹿达路71号6-1
hoogfluid@126.com hoogfluid@163.com
电话
短信
二维码
首页
在线咨询
在线相同,,,,,,,,请点我在线咨询
咨询热线:
021-51012795
13918668100
【网站地图】
【sitemap】